| ZJ-Z型軸式靜態(tài)扭矩傳感器 | ||||||||||||||||||||||||||||||||
| 來源: 點擊數:21246次 更新時間:2021/9/6 20:39:11 | ||||||||||||||||||||||||||||||||
ZJ-Z型軸式靜態(tài)扭矩傳感器廣泛應用于試驗機、扭力扳手、轉向機、軸承、電動執(zhí)行器、閥門、液壓等靜止扭矩測試系統(tǒng)中,由于出色的穩(wěn)定性、較高的測量精度和極高的性價比而受到用戶的青睞。
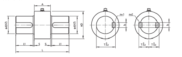
技術指標: 外形安裝尺寸圖
量程200K~2000K N•m 參數來電索取 可非標定制
用途與特點 量程:1000,2000,3000,5000N.m 技術參數:
| ||||||||||||||||||||||||||||||||
| 【刷新頁面】【加入收藏】【打印此文】 【關閉窗口】 | ||||||||||||||||||||||||||||||||
| 上一篇:ZJ-FZ型法蘭式靜態(tài)扭矩傳感器 下一篇:ZJ-AP型盤式扭矩傳感器 |
服務熱線:400-111-3688 (24小時)
工作時間:7:30-11:30 12:30-16:30 (雙休)


